Gd And T Drawing



5 Steps To Creating Gd T Drawings For Superior Quality

5 Steps To Creating Gd T Drawings For Superior Quality

Gd T Drawings Kohlex

Gd T Drawings Kohlex

Engineering Drawings Gd T For The Quality Engineer

Engineering Drawings Gd T For The Quality Engineer

How To Create Part Drawing With Gd And T In Pro E Creo 5 0 Youtube

How To Create Part Drawing With Gd And T In Pro E Creo 5 0 Youtube

Engineering Drawings Gd T For The Quality Engineer

Engineering Drawings Gd T For The Quality Engineer

Geometric Dimensioning And Tolerancing Wikipedia

Geometric Dimensioning And Tolerancing Wikipedia

Geometric Dimensioning And Tolerancing Wikipedia

5 Steps To Creating Gd T Drawings For Superior Quality

5 Steps To Creating Gd T Drawings For Superior Quality

Gd T Training In Coimbatore Geometric Dimensioning Tolerancing Course In Coimbatore

Gd T Training In Coimbatore Geometric Dimensioning Tolerancing Course In Coimbatore

Pin By Yogesha Dm On Gd And T Blueprints Mechanical Engineering Mechanic

Pin By Yogesha Dm On Gd And T Blueprints Mechanical Engineering Mechanic

Gd T Basics What You Need To Know

Gd T Basics What You Need To Know

Gd And T Courses Gd And T Training Courses Ambernath Badlapur

Gd And T Courses Gd And T Training Courses Ambernath Badlapur

Perpendicularity Gd T Basics

Perpendicularity Gd T Basics

Assigned Wheel Hub Gd T Ppt Video Online Download

Assigned Wheel Hub Gd T Ppt Video Online Download

Engineering Drawings Gd T For The Quality Engineer

Engineering Drawings Gd T For The Quality Engineer

Geometric Dimensioning And Tolerancing Using Nx Cad Skill Lync

Geometric Dimensioning And Tolerancing Using Nx Cad Skill Lync

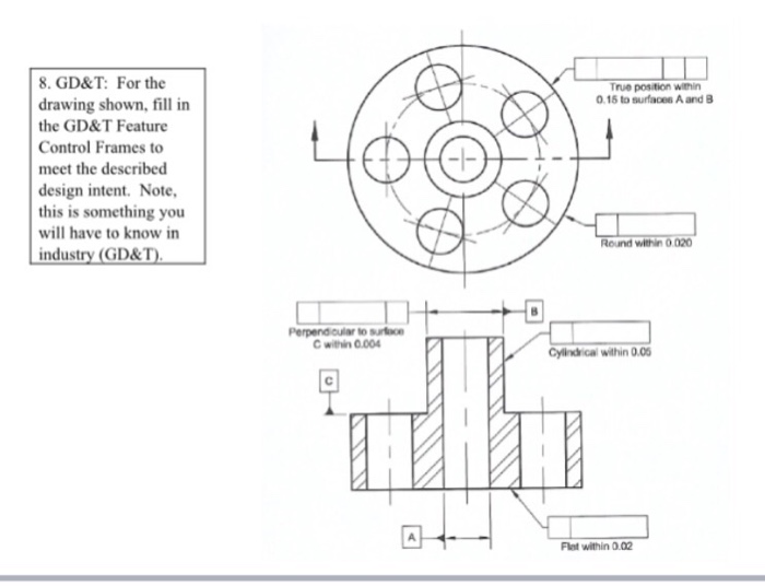
Solved Gd T For The Drawing Shown Fill In The Gd T Chegg Com

Solved Gd T For The Drawing Shown Fill In The Gd T Chegg Com

Gd T Drawings Kohlex

Gd T Drawings Kohlex

Advanced Geometric Dimensioning And Tolerancing Tutorial Gd T Application Bonus Tolerance Asme Rule Bright Hub Engineering

Advanced Geometric Dimensioning And Tolerancing Tutorial Gd T Application Bonus Tolerance Asme Rule Bright Hub Engineering

Egs India Newsletter April 2008

Egs India Newsletter April 2008

Engineering Drawings Gd T For The Quality Engineer

Engineering Drawings Gd T For The Quality Engineer